Pohybové čidlo-radarové MS2-N
Info ke skladovosti:
V případě, že je zboží ihned k odběru je odesláno zpravidla tentýž den, záleží na času vytvoření objednávky. V případě že je skladem pouze v externím skladu je odesláno zpravidla do 2-3 pracovních dnů.
Čidlo je vybaveno vysoce citlivým a velmi spolehlivým HF radiofrekvenčním senzorem. Nejedná se o PIR senzor (tepelný), ale pracuje na principu vysílání vysokofrekvenčních elektromagnetických vln (radarových). Když je pole narušeno pohybem, mikroprocesor inicializuje spínací povel. Čidlo spolehlivě pracuje i přes dveře, okenní tabule, nebo tenké stěny. Snímané pole čidla je kruhové, 360°, maximální vertikální úhel dosahu čidla pohybu je 180°, dosah min 1m-max 8m.
Upozornění: standartní čidla, které se prodávají většinou ve všeobecných elektroobchodech a supermarketech nemusí umět spínat LED světelné zdroje,čidla nabízená u nás jsou určena pro všechny světelné zdroje včetně LED žárovek
Čidlo po Vámi nastavené době rozepne, a pokud zaregistruje další pohyb, opět sepne. Po vypršení časového limitu můžete tedy být chvíli potmě. Pokud chcete, aby světlo během Vaší přítomnosti v místnosti nezhaslo, musíte použít tzv. detektor přítomnosti.
Na čidlu lze regulovat dosah, zda čidlo sepne již když jste za dveřmi, nebo až když je otevřete, nastavení času (dobu svícení), soumrakové nastavení (při jaké intenzitě okolního osvětlení čidlo sepne).
| Stupeň krytí IP | IP20 |
| Typ senzoru | Mikrovlný - MW |
| Vstupní napětí | 220-240V |
| Technické údaje | Zapojení: N – nulový vodič L – vstup fáze L´ - spínaná fáze |
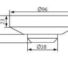
| Rozměry | viz.obrázek |
| Možnost regulace | doba sepnutí 10s-12min |
| Dosah | 1-8m |
| Regulace citlivosti na světlo | 3-2000 Lux |
| Detekční úhel | 360°/140° |
| Příkon v klidovém stavu | 0,9W |
| Spínací prvek | Relé |
| Příkon spínanného spotřebiče | min. 0,1W, spíná LED žárovky a LED svítidla, max 1200W klasické žárovky, max 300W LED, úsporky a zářivky |



























